
Radnabe hinten
88er bis Juni 1980
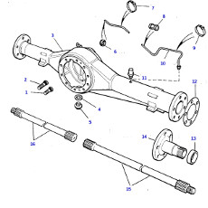
Hinterachse

Radnabe und Steckachse hinten -
109er alle Modelle 88er ab July 1980
Hinterachse

Hinterachsgehäuse und Steckachse Rover
88er
Hinterachse

Differentialgehäuse Rover- Achse
alle Modelle
Hinterachse

Eingangswelle Kronrad Rover- Achse
Frühe Serien
Hinterachse

Eingangswelle Kronrad Rover- Achse
späte Serien
Hinterachse

Achsgehäuse Salisbury- Achse
109er
Hinterachse

Hinterachsedifferential Salisbury
109er
Hinterachse

Kardanwelle hinten
1TON
Hinterachse

Kardanwelle hinten
außer 109er 1 TON
Hinterachse

Datenblatt Hinterachse
Hinterachse