Ersatzteildatenbank

Open dialog
  • Home
  • Modelle
  • Serie 3
  • Achse, Aufhängung, Antriebswelle, Rad
  • Federung vorne
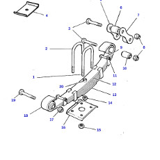
  • Blattfeder 88er

    2,25l Benzin

    Federung vorne

  • Blattfeder vorne

    Alle Fahrzeuge außer 1TON, 88 2,25L Benzin

    Federung vorne

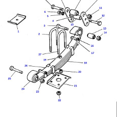
  • Blattfeder vorne

    109er 4Zyl u 6Zyl 1 TON

    Federung vorne

  • Dämpfer vorne

    Federung vorne

  • Datenblatt Federung

    vorne

    Federung vorne

Impressum