
Luftfilter nicht entgiftet
109 V8
Luftfilter, Gasgestänge V8

Ansaugschacht nicht entgiftet
109 V8
Luftfilter, Gasgestänge V8

Luftfilter entgiftet
109 V8
Luftfilter, Gasgestänge V8

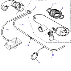
Luftfilter entgiftet
V8 Norwegen Schweiz und Deutschland
Luftfilter, Gasgestänge V8

Lufteinlass für entgiftete Motoren
109 V8
Luftfilter, Gasgestänge V8

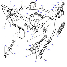
Gaspedal und Gestänge
109er V8
Luftfilter, Gasgestänge V8