Ersatzteildatenbank

Open dialog
  • Home
  • Modelle
  • Serie 3
  • Chassis Teile, Hilfsrahmen, Kabine
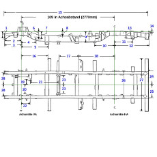
  • Rahmen
  • Rahmen

    Rahmen

  • Rahmen

    Anbauteile

    Rahmen

  • Rahmen 88

    Maße

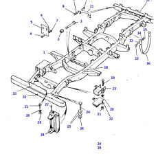
    Rahmen

  • Rahmen 88

    Traversen Ausleger

    Rahmen

  • Rahmen 109

    Maße

    Rahmen

  • Rahmen 109

    Traversen Ausleger

    Rahmen

Impressum