4 und 6 Zylindermodelle

Spritzwand
Karosserie

Lüftung und Fliegengitter
Karosserie

Windschutzscheibe
Karosserie

RHD Befestig.
Spritzwand an Chassis
Karosserie

LHD Befestig.
Spritzwand an Chassis
Karosserie

Kühlergrill
Frontmaske
Karosserie

Motorhaube
Deluxe
Karosserie

Ersatzrad-
Halterung für Motorhaube
Karosserie

Motorhaube
für Erstzradhalterung mil.
Karosserie

Ersatzradhalter
Motorhaube mil.
Karosserie

innerer Kotflügel
Frontschürze
Karosserie

Aussenblech
Kotflügel
Karosserie

Matschblech
Befestigungen
Karosserie

Getriebetunnel
Boden vorne 2,25L Modelle
Karosserie

Getriebetunnel
Boden vorne 2,6L Benzin
Karosserie

Panelle
Karosserie

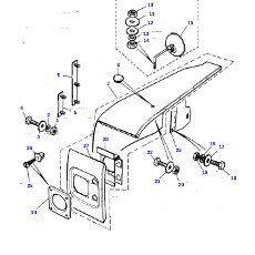
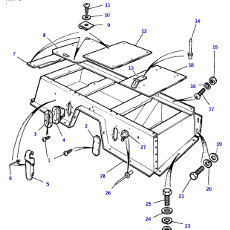
Sitzkiste
Karosserie

Batteriekasten und Luftfilterhalterung
Karosserie

Anschlagösen
Karosserie
109 V8

Spritzwand
Karosserie

Lüftung und Fliegengitter
Karosserie

Windschutzscheibe
Karosserie

RHD Befestig.
Spritzwand an Chassis
Karosserie

LHD Befestig.
Spritzwand an Chassis
Karosserie

Kühlergrill
Frontmaske
Karosserie

Motorhaube
109 V8
Karosserie

innerer Kotflügel
Frontschürze
Karosserie

Aussenblech
Kotflügel
Karosserie

Matschblech
Befestigungen
Karosserie

Kotflügel
Verstärkungen
Karosserie

Getriebetunnel
Boden vorne
Karosserie

Panelle
Karosserie

Sitzkiste
Karosserie

Batterie Halterung
Karosserie

Anschlagösen
Karosserie