
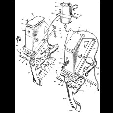
Pedale
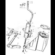
Geber- Nehmerzylinder
Schwungrad und Kupplung

Ausrückmechanismus
Kupplung -1969
Schwungrad und Kupplung

Ausrückmechanismus
Kupplung 1970-71
Schwungrad und Kupplung

Kupplung
2,0L Pet
Schwungrad und Kupplung

Kupplung
2,25 L Pet
Schwungrad und Kupplung

Kupplung
2,6L
Schwungrad und Kupplung

Kupplung
2,0L Diesel
Schwungrad und Kupplung

Kupplung
2,25L Diesel
Schwungrad und Kupplung

