
Einfüllstutzen alle 88er incl 109er 4 Zyl
außer Station Wagon bis Fahrzeugsuffix B
4 Zylinder Modelle

Einfüllstutzen 109er 4 Zyl
Station Wagon ab Fahrzeugsuffix C
4 Zylinder Modelle

Einfüllstutzen alle incl 109er 4 Zyl
außer Station Wagon ab Fahrzeugsuffix C
4 Zylinder Modelle

Einfüllstutzen 109er 4 Zyl
Station Wagon bis Fahrzeugsuffix B
4 Zylinder Modelle

Einfüülstutzen für italienischen Markt
88er
4 Zylinder Modelle

Einfüllstutzen für italienischen Markt
alle 109er incl HCPU
4 Zylinder Modelle

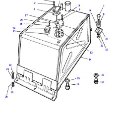
Underseat Tank alle 88er incl 109er 4 Zyl
außer Station Wagon bis Fahrzeugsuffix B
4 Zylinder Modelle

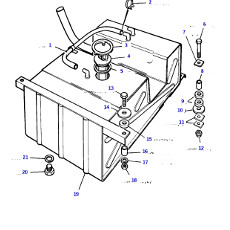
Hecktank 109er 4 Zyl
Station Wagon bis Fahrzeugsuffix B
4 Zylinder Modelle

Hecktank alle 109er 4 Zyl
ab Fahrzeugsuffix C
4 Zylinder Modelle

Kraftstoffleitungen 2,25 L Benzin
alle 88er und 109er bis Fahrzeug Suffix B
4 Zylinder Modelle

Kraftstoffleitungen 2,25 L Benzin
109er ab Fahrzeug Suffix C
4 Zylinder Modelle

Kraftstoffleitungen Diesel
bis Fahrzeugsuffix B
4 Zylinder Modelle

Kraftstoffleitungen Diesel
ab Fahrzeugsuffix C
4 Zylinder Modelle

Wasserabsch
nur Diesel optional
4 Zylinder Modelle