
Zylinderkopf mit Schrauben und ZKD
3,5 L Diesel
3,5L Diesel 6Zyl.

Ölpumpe
bis Mai 1978
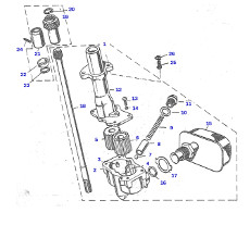
3,5L Diesel 6Zyl.

Ölpumpe
ab Juni 1978
3,5L Diesel 6Zyl.

Motorblock
3,5 L Diesel
3,5L Diesel 6Zyl.

Kolben Pleul
3,5 L Diesel
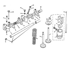
3,5L Diesel 6Zyl.

Kipphelwelle Ventile
3,5 L Diesel S3a
3,5L Diesel 6Zyl.

Stirnräder
3,5 L Diesel
3,5L Diesel 6Zyl.

Nockenwelle
3,5 L Diesel
3,5L Diesel 6Zyl.

Kurbelwelle
3,5 L Diesel S3a
3,5L Diesel 6Zyl.

Ölpumpe
Fahrzeuge mit Ölkühler
3,5L Diesel 6Zyl.

Anlasser
6 Zylinder bis 09.1984 FEMSA
3,5L Diesel 6Zyl.

Anlasser
6 Zylinder ab 10.1984 Bosch
3,5L Diesel 6Zyl.