in Bearbeitung

Motorblock
Motorhalter
2,0L Benzin

Nockenwelle
Steuerkette Kettenspanner
2,0L Benzin

Ventiltrieb
2,0L Benzin

Zylinderkopf
Ventildeckel
2,0L Benzin

Ölfilter
Ölsteigleitung
2,0L Benzin

Ölwanne
Steuergehäusedeckel Ventildeckel
2,0L Benzin

Ölpumpe
2,0L Benzin

Wasserpumpe
Ventilator Thermostatgehäuse
2,0L Benzin

Krümmer
Einlass/ Auslass
2,0L Benzin

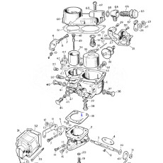
Vergaser
2,0L Benzin

Zündspule
Anlasser
2,0L Benzin

Lichtmaschine
Halter
2,0L Benzin

