
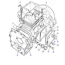
Kupplungsglocke
101 F/C
Getriebe FC101

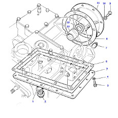
Abdeckung
Kupplungsglocke
Getriebe FC101

Ölpumpe
Frontabdeckung Getriebe
Getriebe FC101

Getriebegehäuse
vorderer Bereich
Getriebe FC101

Getriebegehäuse
Abdeckungen hinterer Bereich
Getriebe FC101

Getriebentlüfung
Gehäuse Tachoantrieb Allrad
Getriebe FC101

Befestigung
101 F/C
Getriebe FC101

Eingangswelle
Bestückung Hauptwelle vorne
Getriebe FC101

Hauptwelle
Bestückung hinten 101 F/C
Getriebe FC101

Vorlegewelle
Rückwärtsgang Hauptgetriebe
Getriebe FC101

Zwischenwelle
Reduziergetriebe
Getriebe FC101

Getriebeabgang
Vakuumeinheit vorne
Getriebe FC101

Differential
Tranfergetriebe
Getriebe FC101

Getriebeabgang
Tachoantrieb hinten
Getriebe FC101

Handbremse
109 V8
Getriebe FC101

Handbremse Hebel
109er V8
Getriebe FC101