
Motorblock
Motorhalter
2,25L Benzin

Kurbelwelle
2,25L Benzin

Kolben
Pleul
2,25L Benzin

Nockenwelle
Steuerkette mit Spanner
2,25L Benzin

Ventiltrieb
Ventile Kipphebel
2,25L Benzin

Zylinderkopf
Ventildeckel Ölfilter
2,25L Benzin

Ölwanne
Steuergehäusedeckel Abdeckungen seitlich
2,25L Benzin

Ölpumpe
2,25L Benzin

Wasserpumpe Ventilator
Keilriemen Thermostatgehäuse
2,25L Benzin

Ansaugkrummer
2,25L Benzin

Auspuffkrummer
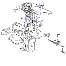
2,25L Benzin

Vergaser
bis Suff H
2,25L Benzin

Vergaser
ab Suff j
2,25L Benzin

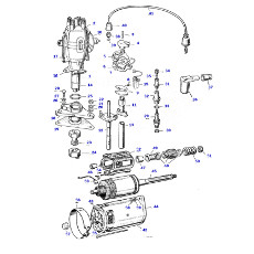
Veteiler
Anlasser
2,25L Benzin

Benzinpumpe
4 Zylinder
2,25L Benzin

Lichtmaschine
Halter
2,25L Benzin