Ersatzteildatenbank

Open dialog
  • Home
  • Modelle
  • Ambu/ ExMOD/ Lighty
  • Kühlung, Heizung, Lüftung

Kühlung

  • Kühler

    Ausgleichsbehälter

    Kühlung, Heizung, Lüftung

Ölkühlung

  • Befestigung

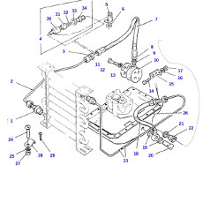
    Ölkühler

    Kühlung, Heizung, Lüftung

  • rechts angeschlossen

    Rohre Schläuche Ventile

    Kühlung, Heizung, Lüftung

  • links angeschlossen

    Rohre Schläuche Ventile

    Kühlung, Heizung, Lüftung

Heizung 1/2 TON

  • Lüftung

    Heizung 1/2 TON

    Kühlung, Heizung, Lüftung

Heizung 3/4 TON

  • Gebläse

    Wärmetauscher 3/4 TON

    Kühlung, Heizung, Lüftung

  • Heizung

    Verrohrung 3/4 TON

    Kühlung, Heizung, Lüftung

  • Lüftung

    3/4 TON

    Kühlung, Heizung, Lüftung

  • Heizung

    Bedienteile 3/4 Ton

    Kühlung, Heizung, Lüftung

in Bearbeitung

  • Kühlung
    0,5 TON 2a

    Frontmaske Grill

    Kühlung, Heizung, Lüftung

Impressum